Iris

Commissioned for Signal Festival in Prague, Iris is an interactive circular array of responsive mirrors and LEDs installed within the historic Klementinum Mirror Chapel. The installation forms a lens-like enclosure that reflects and refracts both light and sound, responding to the presence and movement of visitors within the space.

Client : Softlab

Scope : Mechatronics and Industrial Design

Date : 2019

Location : Prague, CR

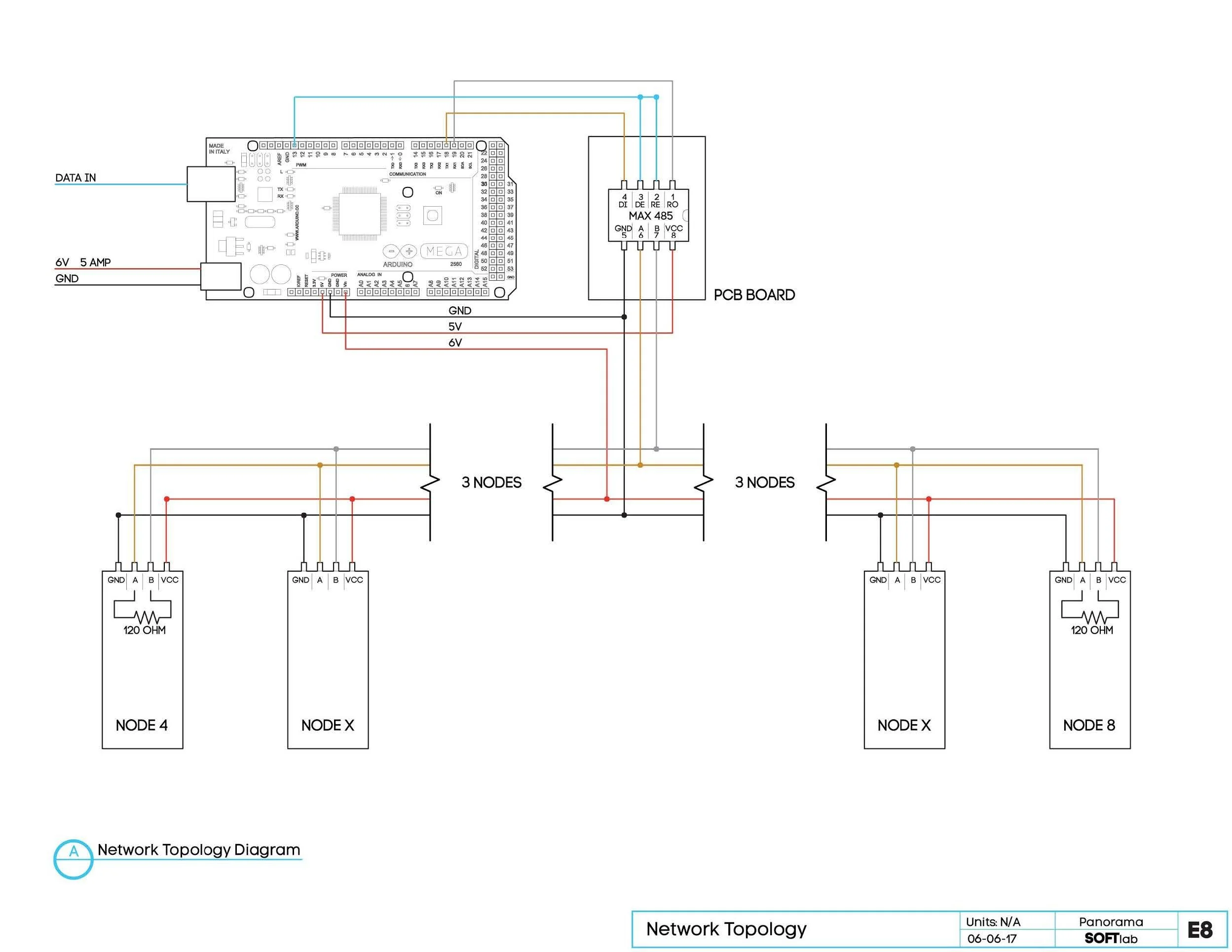
Mechanical & Electrical Engineering

As people move through the circular interior, mirrored panels rotate toward them, opening and closing the perimeter. These shifts reveal direct views of the chapel while simultaneously generating layered, recursive reflections that fold architecture, visitors, and light into a continuously changing mise en abyme. Integrated LEDs respond to ambient sound, allowing light and audio to intermingle and amplify one another.

The design is shaped by the chapel’s ornate architecture and its role as a classical concert hall. From the exterior, the circular form reflects its richly detailed surroundings; inside, it multiplies the viewer into an infinite field of reflections. As visitors approach, this reflective enclosure destabilizes, allowing the exterior space to leak inward.

Previous
Previous

Actuated Structures

Next
Next

Detail Drawings